Normen für die Schaltplanerstellung

Auf dieser Seite werden alle gängigen Normen aufgeführt, die für die Schaltplanerstellung ( Elektrotechnik, Pneumatik, Hydraulik, Schmierung, Kühlung, ... ) relevant sind oder sein können.
DIN ISO 16016 Technische Produktdokumentation - Schutzvermerke zur Beschränkung der Nutzung von Dokumenten und Produkten
Die DIN ISO 16016 schlägt die einheitliche Kennzeichnung von Schutzrechten in der technischen Produktdokumentation vor.
| Weitergabe sowie Vervielfältigung dieses Dokuments, Verwertung und Mitteilung seines Inhalts sind verboten, soweit nicht ausdrücklich gestattet. Zuwiderhandlungen verpflichten zu Schadenersatz. Alle Rechte für den Fall der Patent-, Gebrauchsmuster- oder Geschmacksmustereintragung vorbehalten. |
Wenn der ausführliche Text im Schaltplan / Normblatt keinen Platz hat, kann folgende Formulierung verwendet werden:
| Schutzvermerk ISO 16016 beachten. |
DIN EN 81346 Industrielle Systeme, Anlagen und Ausrüstungen und Industrieprodukte - Strukturierungsprinzipien und Referenzkennzeichnung
Diese Norm bildet die Grundlage für die Bezeichnung der Betriebsmittel in den Schaltplänen. Das betrifft die Gewerke Elektrotechnik, Software, Fluid (Pneumatik, Hydraulik, Schmierung, Kühlung, ...), Mechanik und kombinierte Aufgaben.
| Notiz: | In Kombination mit der DIN ISO/TS 16952 (Erweiterung der Strukturkennzeichen um "==" und "++") liefert die DIN EN 81346 optimale Voraussetzungen für mechatronische Projekte. |
Struktur
Format von Referenzkennzeichen:
| Vorzeichen | Aspekttyp des Referenzkennzeichens |
|---|---|
| = | im Zusammenhang mit dem Funktionsaspekt des Objekts; |
| - | im Zusammenhang mit dem Produktaspekt des Objekts; |
| + | im Zusammenhang mit dem Ortsaspekt des Objekts; |
| # | im Zusammenhang mit anderen Aspekten des Objekts. |
Erweiterung durch DIN ISO/TS 16952:
| Vorzeichen | Aspekttyp des Referenzkennzeichens |
|---|---|
| == | funktionale Zuordnung; |
| ++ | Aufstellungsort; |
Klasse A1
Die Klasse bestimmt den Zweck oder die Aufgabe des Betriebsmittels.
Unterklasse A2
In der Unterklasse wird unterschieden zwischen:
|
|
|
|
Beispiele
- Kabel -WD0
- Klasse W Leiten oder Führen von Energie, Signalen oder Materialien oder Produkten von einem Ort zu einem anderen
- Unterklasse D Transportieren von elektrischer Energie < 1 kV
- Zähler 0
- Klemme -XD1
- Klasse X Verbinden von Objekten
- Unterklasse D Verbinden < 1 kV
- Zähler 1
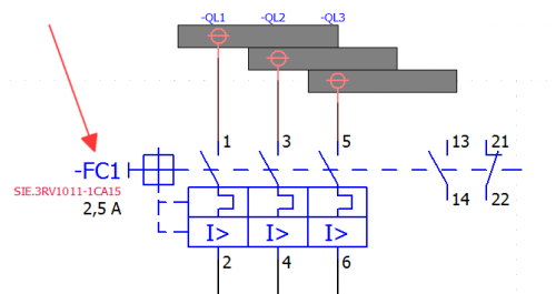
- Motorschutzschalter -FC1
- Klasse F Direkter (selbsttätiger) Schutz eines Energie- oder Signalflusses, von Personen oder Einrichtungen vor gefährlichen oder unerwünschten Zuständen einschließlich Systeme und Ausrüstung für Schutzzwecke
- Unterklasse C Schutz gegen Überströme
- Zähler 1
| Notiz: | Der Motorschutzschalter wurde meistens unter der Klasse Q geführt was aber nach der DIN EN 81346 nicht korrekt ist. Die richtige Klasse ist F. |
DIN EN 61355 Klassifikation und Kennzeichnung von Dokumenten für Anlagen, Systeme und Ausrüstungen
Technischer Bereich A1
Die Angabe des Kennbuchstaben A1 gibt an, für welchen Bereich die Dokumente sind. Die Kennbuchstaben A2 und A3 sind für alle technischen Bereiche identisch. In dem technischen Bereich unterscheidet man:
- A = Übergeordnetes Management
- B = Übergeordnete Technologie
- C = Bauwesen
- E = Elektrotechnik
- M = Maschinenbau (im Regelfall einschließlich Prozeßtechnik)
- P = Prozeßtechnik (nur falls Trennung von M erforderlich)
Hauptklasse A2
Die Hauptklassen unterscheiden die Dokumentenart und sind wie folgt definiert:
- A = Dokumentationsbeschreibende Dokumente
- B = Managementdokumente
- C = Vertragliche und nicht-technische Dokumente
- D = Dokumente mit allgemeiner technischer Information
- E = Dokumente für technische Anforderungen und Auslegung
- F = Funktionsbeschreibende Dokumente
- L = Ortsbezogene Dokumente
- M = Verbindungsbeschreibende Dokumente
- P = Produktlisten
- Q = Qualitätsmanagementdokumente; Sicherheitsbeschreibende Dokumente
- T = Dokumente zur Beschreibung geometrischer Formen
- W = Betriebliche Protokolle und Aufzeichnungen
Unterklasse A3
Die Unterklasse ermöglicht noch eine feinere Einteilung der Dokumentenart und ist unter DIN EN 61355 in vollen Umfang aufgeführt.
Beispiele
| Klasse & Unterklasse | Dokumentenartenklasse | Beispiele für Dokumentenarten |
|---|---|---|
| BAA | Übergeordnete Technologie, Verwaltungstechnische Dokumente |
|
| BAB | Übergeordnete Technologie, Listen (Dokumente betreffend) |
|
| EPC | Elektrotechnik, Stücklisten |
|
| MPC | Maschinenbau, Stücklisten |
|
| EFS | Elektrotechnik, Schaltkreisdokumente |
|
| MFS | Maschinenbau, Schaltkreisdokumente |
|
Folgendes Bild zeigt einen Ausschnitt aus einem EPLAN-Projekt mit Dokumentenart.
EPLAN-Projekt mit Dokumentenart
DIN EN 60204 Sicherheit von Maschinen - Elektrische Ausrüstung von Maschinen
Beschreibung
- Der Anschluss von zwei Adern oder mehr an einer Klemme ist nur zulässig, wenn der Anschluss dieser Klemme dafür ausgelegt ist.
- Für Schutzleiter gilt, dass nur eine Ader (Schutzleiter) pro Klemmenanschlusspunkt angeschlossen werden darf
- Stromlaufpläne müssen so dargestellt werden, dass Sie das Verständnis ihrer Funktion erleichtern.
- Jeder Leiter muss an jedem Anschluss in Übereinstimmung mit der Technischen Dokumentation identifizierbar sein.
| Notiz: | Zielverdrahtung: Jeder Leiter muss an jedem Anschluss in Übereinstimmung mit der Technischen Dokumentation identifizierbar sein.
Diese Formulierung schreibt eine exakte Zielverdrahtung vor, was die Punktdarstellung von Potenzialabgriffen verbietet (siehe Beispiel). |
- Farben:
- SCHWARZ (SW): Hauptstromkreis
- GRÜN-GELB (GNGE): Schutzleiter
- HELLBLAU (HBL): Neutralleiter
- ROT (RT): Steuerstromkreis für Wechselspannung
- BLAU (BL): Steuerstromkreis für Gleichspannung
- ORANGE (OR): Stromkreise, die nicht von der Netz-Trenneinrichtung abgeschaltet werden
- Für die Farbcodierung von Leitern/Einzeladern dürfen die in der DIN IEC 60757 definierten Farben (einschließlich HELLBLAU) verwendet werde.
| Notiz: | Referenzkennzeichen (Betriebsmittelkennzeichen): Alle Gehäuse, Zubehörteile, Steuergeräte und Komponenten müssen deutlich mit demselben Referenzkennzeichen, wie in der technischen Dokumentation dargestellt, identifizierbar sein.
Diese Kennzeichnung ist Notwendig um Zielverdrahtung umsetzen zu können. Kein eindeutiger Name ... kein eindeutiges Ziel ! |
Beispiele
| Das linke Bild zeigt eine Klemme mit vier Anschlüssen. Zielverdrahtung bedeutet auch hier, dass jeder einzelne Leitungsanschluss der Klemme dargestellt und eindeutig definiert wird. Ein einfaches Klemmensymbol, an dem mehrere Adern anschlossen werden, ohne dass ersichtlich ist um welche der Anschlüsse es sich handelt ist nicht mehr zulässig. Die Potenzialfarbe BLAU definiert die Adern als "Steuerstromkreis für Gleichspannung". | ||
| Dieses Bild zeigt eine Erdungsklemme mit Zielverdrahtung. Ebenfalls ist die Potenzialfarbe ersichtlich und es ist nur eine Leitung pro Klemmenanschluss erlaubt. | ||
| DIN EN 60204 Zielverdahtung Beipiel EPLAN-Projekt | Hier wird der der Anschluss von zwei Adern an einem Stecker dargestellt. Der Anschluss von zwei Adern ist nur erlaubt, wenn der Anschluss des Steckers dafür ausgelegt ist. Durch die Zielverdrahtung ist ersichtlich, dass die Adern auf den unteren Steckern angeschlossen werden. Die Punktdarstellung ist hier nicht mehr zulässig !!! Durch die Punktdarstellung ist nicht ersichtlich, ob die Adern oben oder unten aufgelegt werden müssen. | |
| Beispiel Potenzialfarben in EPLAN-Projekt | Dieses Bild zeigt die Definitionen der Potenzialfarben in einem EPLAN-Projekt. Somit kann auch im Schaltplan die von der Norm definierte Farbe dargestellt werden. |
DIN IEC 60757 Elektrotechnik; Code zur Farbkennzeichnung
| Farbe | Farbnummer | Muster | DIN 47002 | DIN IEC 60757 |
|---|---|---|---|---|
| schwarz | RAL 9005 | sw | BK | |
| braun | RAL 8003 | br | BN | |
| rot | RAL 3000 | rt | RD | |
| orange | RAL 2003 | or | OG | |
| gelb | RAL 1021 | ge | YE | |
| grün | RAL 6018 | gn | GN | |
| blau | RAL 5015 | bl | BU | |
| violett | RAL 4005 | vi | VT | |
| grau | RAL 7000 | gr | GY | |
| weiß | RAL 1013 | ws | WH | |
| rosa | RAL 3015 | rs | PK | |
| türkis | RAL 6027 | tk | TQ | |
| grün-gelb | - | gnge | GNYE | |
| gold | - | - | GD | |
| silber | - | - | SR |
| Die DIN-Norm 47002 wurde 2002 ersatzlos gestrichen ! |
DIN EN 61082 Dokumente der Elektrotechnik
Anordnung und Ausrichtung von Verbindungslinien
|
|
| |
| FALSCH | RICHTIG |
DIN ISO 1219 Fluidtechnik – Graphische Symbole und Schaltpläne
| Notiz: | Der Teil 2 der DIN ISO 1219 ist als Bezeichnungssystem für mechatronische Projekte nicht geeignet, da keinerlei Bezug für die Gewerke Elektrotechnik, Prozesstechnik, Mechanik, ... existiert ! |
Bezeichnungsschlüssel
Legende
- 1 = Anlagenbezeichnung
- 2 = Medienschlüssel
- 3 = Schaltkreisnummer
- 4 = Bauteilnummer
Anlagenbezeichnung
Besteht ein Kreislauf aus mehreren Anlagen, muss die Anlagenbezeichnung mit angegeben werden. Befindet sich nur eine Anlage im Kreislauf, kann die Bezeichnung entfallen.
Für die Anlagenkennzeichnung kann eine Zahl oder ein Buchstabe verwendet werden (nur eine Stelle !).
Medienschlüssel
Sobald mehr als ein Medium in einer Anlage verwendet wird, muss der Medienschlüssel angegeben werden.
- H = Hydraulik
- P = Pneumatik
- C = Kühlung (Cooling)
- K = Kühlschmiermittel
- L = Schmierung (Lubrication)
- G = Gastechnik
Schaltkreisnummer
Jedes Bauteil (Zubehör), dass sich in einem Schalkreis (nach Druckluftversorgung, Aggegrat, Ventil, ...) befindet, muss eine Schaltkreisnummer im Bezeichnungsschlüssel haben.
Die Schaltkreisnummer sollte vorzugsweise mit '0" beginnend und weiter mit nachfolgenden Nummern (1, 2, 3, ...) hochgezählt werden.
Bauteilnummer
Jedes Bauteil in einem Schaltkreis muss mit einer Bauteilnummer bezeichnet werden.
Die Bauteilnummer muss beginnend mit "1" und weiter mit nachfolgenden Nummern (2, 3, 4, ...) hochgezählt werden.
| Die alten Bezeichnungen mit einem Buchstaben (A = Antrieb, M = Motoren, P = Pumpe, S = Signalaufnehmer, V = Ventile, Z = andere Bauteile) vor dem Zähler sind nicht mehr zugelassen !!!
Mit diesem Bezeichnungsschlüssel ist in Stücklisten, Bauteillisten, Bezeichnungslisten, Querverweisen, ... nicht mehr ersichtlich, um welches Bauteil es sich handelt !!! |
Siehe auch
Weblinks
- www.igevu.de Die Übersicht enthält eine Auswahl derzeit gültiger Normen und Richtlinien, die bei der Planung und Erstellung der technischen Dokumentation zu beachten sind.

